Арт.: 040327

Профиль FANTOM-BENT-W12-TOP-2000 ANOD (Arlight, Алюминий)

Распечатать
Поделиться
Общие характеристики
Тип товара
Профиль
Цвет покрытия
Серебристый
Форма (сечение)
С фланцем
Назначение
Для гипсокартонных листов
Модельный ряд
FANTOM-BENT
Материал корпуса
Алюминий
Индивидуальная покраска
Не выполняется
Гарантийный срок
3 год(а)
Особенность
Гибкий
Способ монтажа
Встраиваемый со скрытым фланцем
3 98895 ₽/м

В наличии

Пленочная упаковка (полистирол) 2 м — 7 97790

Статус товара: выводится из поставок 

Пленочная упаковка (полистирол) 2 м 7 97790
Способы получения заказа Способы получения заказа Доставка по городу Самовывоз
Описание
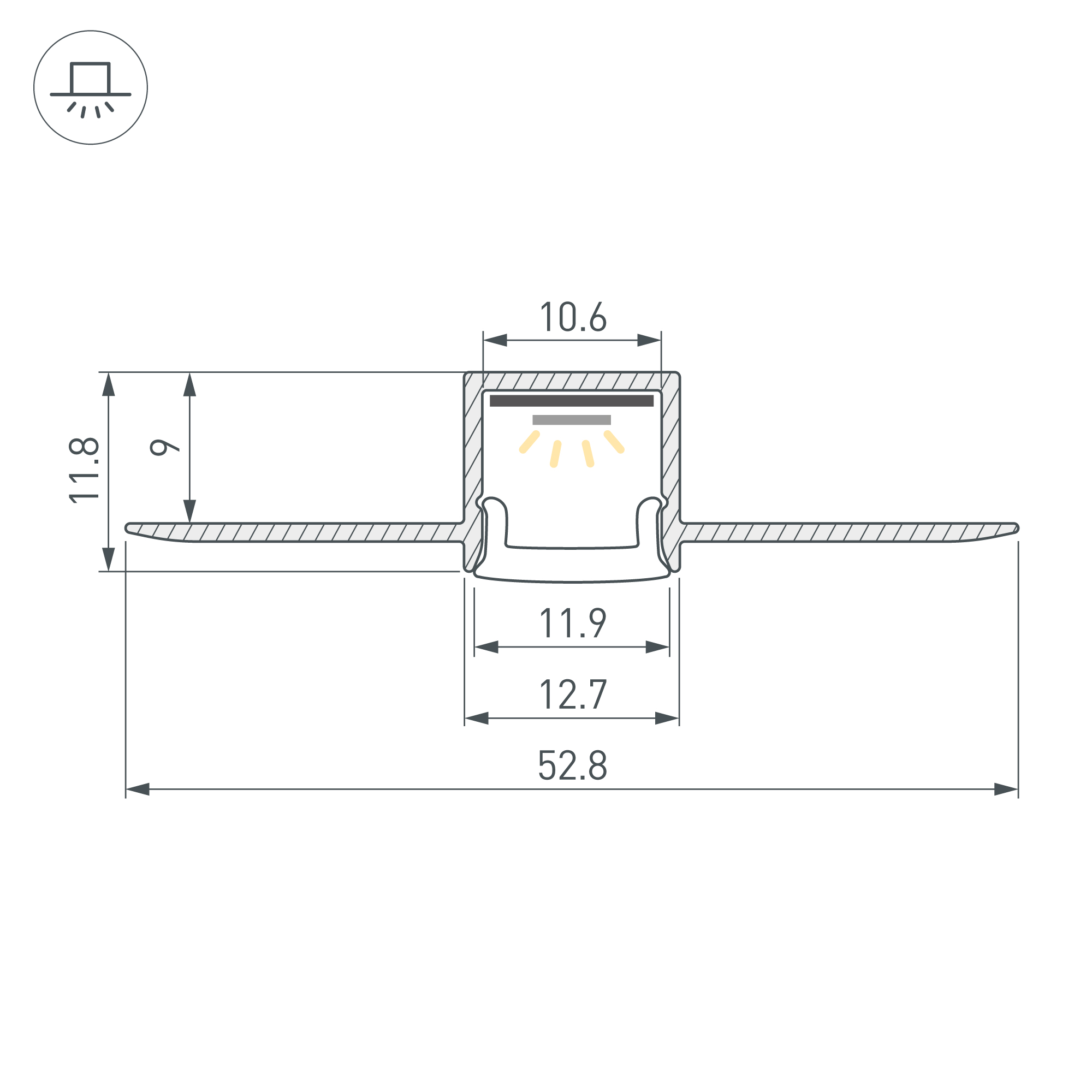
Встраиваемый гибкий профиль из анодированного алюминия со скрытым фланцем под строительную отделку устанавливается в потолки и потолочные ниши из гипсокартона. Минимальный радиус вертикального изгиба (вверх/вниз) 30 см. Габаритные размеры профиля составляют 2000 мм в длину, 52,8 мм в ширину и 11,8 мм в высоту. Площадка для установки светодиодных лент позволяет использовать ленту шириной до 10,6 мм и мощностью до 16 Вт/м. Это обеспечивает гибкость в выборе светодиодных лент и создает потрясающие световые решения. Совместим с прямым алюминиевым профилем FANTOM-W12 и гибким FANTOM-BENT-W12-SIDE. Сочетание разных видов профиля поможет подчеркнуть как прямые, так и изогнутые контуры интерьера, а также создать круги и волнообразные линии, переходящие с потолка на стены. Экраны, заглушки и другие аксессуары не включены в комплект и приобретаются отдельно. Цена указана за 1 метр профиля. Перед установкой профиля в гипсокартон ОБЯЗАТЕЛЬНО установите в профиль экран.
Характеристики
Алюминиевый встраиваемый гибкий профиль для светодиодных лент и линеек. Изгиб вверх/вниз. Габаритные размеры (L×W×H): 2000х52,8х11,8 мм. Ширина площадки для ленты 10,6 мм. Экраны, заглушки и другие аксессуары приобретаются отдельно. Цена за 1 метр.
Общие
Артикул
040327
Тип товара
Профиль
Цвет покрытия
Серебристый
Форма (сечение)
С фланцем
Назначение
Для гипсокартонных листов
Модельный ряд
FANTOM-BENT
Материал корпуса
Алюминий
Индивидуальная покраска
Не выполняется
Гарантийный срок
3 год(а)
Особенность
Гибкий
Способ монтажа
Встраиваемый со скрытым фланцем
Светотехнические
КПД профиля (cветовой)
70 %
Эксплуатационные
Внешний вид поверхности
Матовая
Покрытие поверхности
Анодирование
Ширина световой линии
11.2 мм
Рассеиваемая тепловая мощность на 1м
max: 16 W
Направление изгиба
Top (вдоль оптической оси)
Габариты
Длина
2000 мм
Ширина
52.8 мм
Высота
11.8 мм
Ширина площадки
10.6 мм
Глубина установки источника света
10.7 мм
Другие
Кратность цены за 1 м/шт
1
Модели серии (15)
Страница серии
Item 1 of 15